Page 74 - 《麻豆操逼视频大全濾板參數》
P. 74
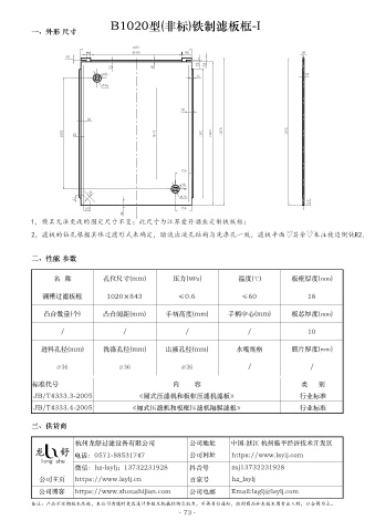
B1020型(非標)鐵製濾板框-I
一、外形 尺寸
1,模具無法更改的固定尺寸不變;此尺寸為江蘇愛丹酒業定製鐵板框;
2,濾板的鑽孔根據具體過濾形式來確定,暗流出液孔結構與洗滌孔一致,濾板平麵 其餘 未注棱邊倒鈍R2。
二、性能 參數
名 稱 孔位尺寸(mm) 壓力(MPa) 溫度(℃) 板框厚度(mm)
酒糟過濾板框 1020×843 ≤0.6 ≤60 18
凸台數量(個) 凸台間距(mm) 手柄高度(mm) 手柄中心(mm) 板芯厚度(mm)
/ / / / 10
進料孔徑(mm) 洗滌孔徑(mm) 出液孔徑(mm) 水嘴規格 膜片厚度(mm)
∅ 36 ∅ 36 ∅ 36 / /
標準代號 內 容 類 別
JB/T4333.3-2005 《廂式麻豆操逼视频大全和板框麻豆操逼视频大全濾板》 行業標準
JB/T4333.4-2005 《廂式麻豆操逼视频大全和板框麻豆操逼视频大全隔膜濾板》 行業標準
三、供貨商
杭州国产成人精品三级麻豆過濾設備有限公司 公司地址 中國.浙江 杭州臨平經濟技術開發區
龍 舒 電話:0571-88531747 公司網址 http://www.lsylj.com
long shu
微信:hz-lsylj;13732231928 抖音號 zsj13732231928
公司主頁 http://www.jlfetc.net 百家號 hz_lsylj
公司博客 http://www.zhoushijian.com 公司電郵 Email:lsglj@lsylj.com
備注:產品不定期技術改進,本公司有隨時更改設計參數及機械結構之權力,不再另行通知,收到商品和本技術圖有出入的,以合同為主。
·73·

