Page 24 - 《麻豆操逼视频大全濾板參數》
P. 24
X650廂式濾板-II
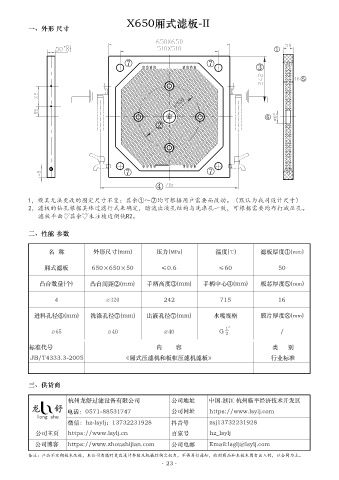
一、外形 尺寸
①
⑦ ⑦
③
⑤
320
∅
⑥ ⑥
②
⑦ ⑦
④
1,模具無法更改的固定尺寸不變;其餘①~⑦均可根據用戶需要而改動。(默認為我司設計尺寸)
2,濾板的鑽孔根據具體過濾行式來確定,暗流出液孔結構與洗滌孔一致,可根據需要均布打減壓孔。
濾板平麵 其餘 未注棱邊倒鈍R2。
二、性能 參數
名 稱 外形尺寸(mm) 壓力(MPa) 溫度(℃) 濾板厚度①(mm)
廂式濾板 650×650×50 ≤0.6 ≤60 50
凸台數量(個) 凸台間距②(mm) 手柄高度③(mm) 手柄中心④(mm) 板芯厚度⑤(mm)
4 ∅ 320 242 715 16
進料孔徑⑥(mm) 洗滌孔徑⑦(mm) 出液孔徑⑦(mm) 水嘴規格 膜片厚度⑧(mm)
1″
∅ 65 ∅ 40 ∅ 40 G — /
2
標準代號 內 容 類 別
JB/T4333.3-2005 《廂式麻豆操逼视频大全和板框麻豆操逼视频大全濾板》 行業標準
三、供貨商
杭州国产成人精品三级麻豆過濾設備有限公司 公司地址 中國.浙江 杭州臨平經濟技術開發區
龍 舒 電話:0571-88531747 公司網址 http://www.lsylj.com
long shu
微信:hz-lsylj;13732231928 抖音號 zsj13732231928
公司主頁 http://www.jlfetc.net 百家號 hz_lsylj
公司博客 http://www.zhoushijian.com 公司電郵 Email:lsglj@lsylj.com
備注:產品不定期技術改進,本公司有隨時更改設計參數及機械結構之權力,不再另行通知,收到商品和本技術圖有出入的,以合同為主。
·23·

