Page 91 - 《国产成人精品三级麻豆麻豆操逼视频大全技術參數插頁》
P. 91
A
B
X ZQ400~600/1600-U 全自動麻豆操逼视频大全
K
M
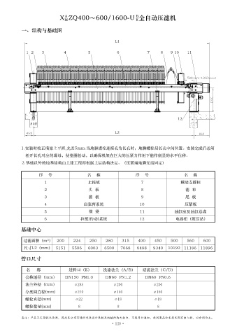
一、結構與基礎圖
L1
1 2 3 4 5 6 7 8 9 10 11
12
L2
1.安裝時校正橫梁上平麵,允差5mm.當地腳螺栓連接孔為長孔時,地腳螺栓居長孔中間位置。安裝完成後必須
鬆開長孔對應的螺母,使墊圈鬆動,以確保機架在巨大的壓緊力作用下能作微量的水平位移。
2.基礎以外的地基結構由土建工程師根據土層結構決定。(壓緊端地腳無需固定)
序 號 名 稱 序 號 名 稱
1 止推板 7 橫梁支撐柱
2 頭 板 8 濾 布
3 濾 板 9 尾 板
4 曲張臂係統 10 壓緊板
5 橫 梁 11 油缸座及油缸總成
6 拉板(傳動)係統 12 電器櫃(液壓站)
基礎中心
過濾麵積(m²) 200 224 250 280 315 400 450 500 560 600
尺寸L2(mm) 5151 5506 6003 6500 7068 8488 9340 10192 11186 11896
管口尺寸
名 稱 進料口(E) 洗滌法蘭(A/B) 暗流法蘭(C/D)
公稱通徑(mm) DN150 PN1.0 DN80 PN1.2 DN80 PN0.6
法蘭外徑(mm) ∅ 285 ∅ 200 ∅ 200
分度圓直徑(mm) ∅ 240 ∅ 160 ∅ 160
螺栓直徑(mm) ∅ 22 ∅ 18 ∅ 18
螺栓數量(mm) 8 8 8
備注:產品不定期技術改進,因此本公司有隨時更改設計參數及機械結構之權力,不再另行通知,收到商品和本技術圖有出入的,以合同為主。
·128·

